样品
成果详情
| 项目简介 | |||||
|---|---|---|---|---|---|
| 技术简介: | |||||
| 专利类型: | 实用新型 | 专利申请号: | CN202320921413.8 | 公开号: | CN219630368U |
| 专利权人: | 南方医科大学珠江医院 | 发明设计人: | 徐伟荣 | ||
| 所属领域: | |||||
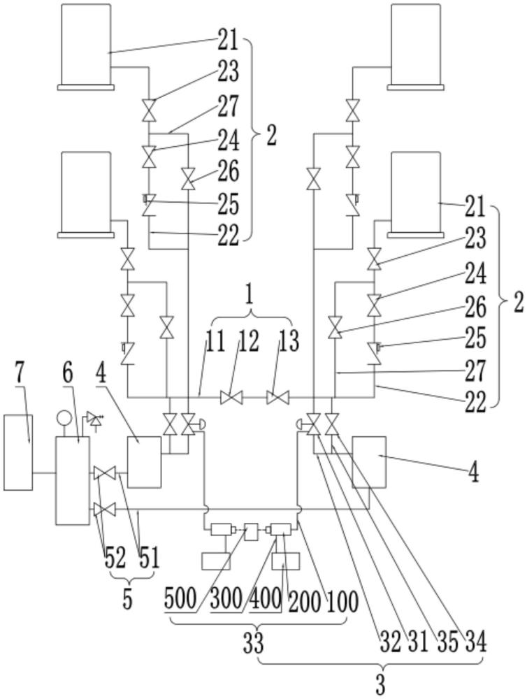
| 摘要: | 本实用新型公开了一种氧源及供氧管路自动切换式医用供氧系统,包括若干个通过一连通管路并联连通并且相互间具有压力差的氧源供氧管路;在所述连通管路的两端均通过一气动调节管路连接有汽化器,在每一所述汽化器的出口端均通过一输送管路经外部的减压设备与外部的用氧单元连通。本实用新型具有能够自动切换氧源及供氧管路以确保氧源切换的及时性、有效降低人力成本、能够使医用供氧系统的汽化器以及管路不易挂霜结冰以确保供氧压力的稳定性和供氧效果的优点。 | ||||
| 补充信息 | |||||
| 转让方式: | 成熟度: | 预估价值: | |||
| 市场前景: | |||||