样品
成果详情
| 项目简介 | |||||
|---|---|---|---|---|---|
| 技术简介: | |||||
| 专利类型: | 发明 | 专利申请号: | CN201810427240.8 | 公开号: | CN108401082A |
| 专利权人: | 南方医科大学 | 发明设计人: | 黄文华;李顶;梁浩俊 | ||
| 所属领域: | |||||
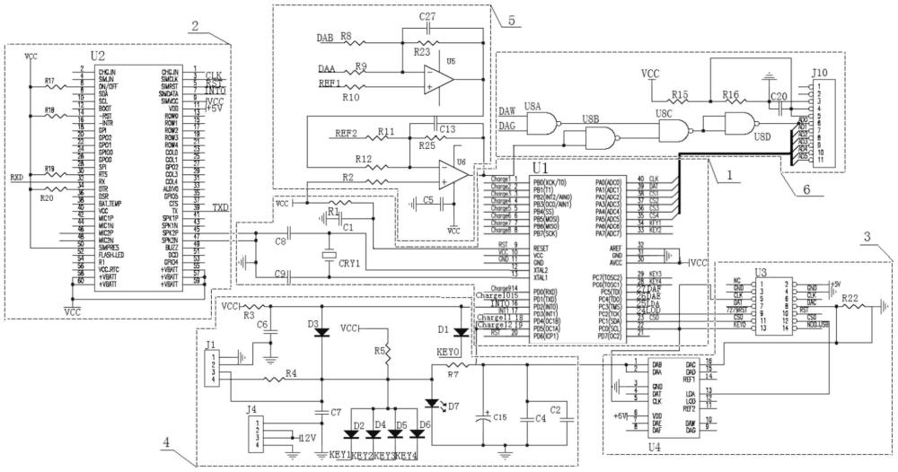
| 摘要: | 一种基于GSM无线传输语音拨号呼叫求助器,设置有单片机模块、无线GSM模块、显示模块和语音驱动模块,单片机模块分别与无线GSM模块、显示模块和语音驱动模块连接,无线GSM模块、显示模块分别与语音驱动模块连接。该求助器采用无线GSM模块和语音驱动模块,在用户有需求时进得启动,可迅速呼叫对应的人员并通过无线GSM模块发送求助信号,该求助器还配有语音驱动模块用于现场求助。该基于GSM无线传输语音拨号呼叫求助器具有实时服务、操作方便、迅速快捷、性能稳定和有良好的应用前景优点。 | ||||
| 补充信息 | |||||
| 转让方式: | 成熟度: | 预估价值: | |||
| 市场前景: | |||||