样品
成果详情
| 项目简介 | |||||
|---|---|---|---|---|---|
| 技术简介: | |||||
| 专利类型: | 实用新型 | 专利申请号: | CN201920132899.0 | 公开号: | CN209864921U |
| 专利权人: | 南方医科大学南方医院 | 发明设计人: | 张广清;许波 | ||
| 所属领域: | |||||
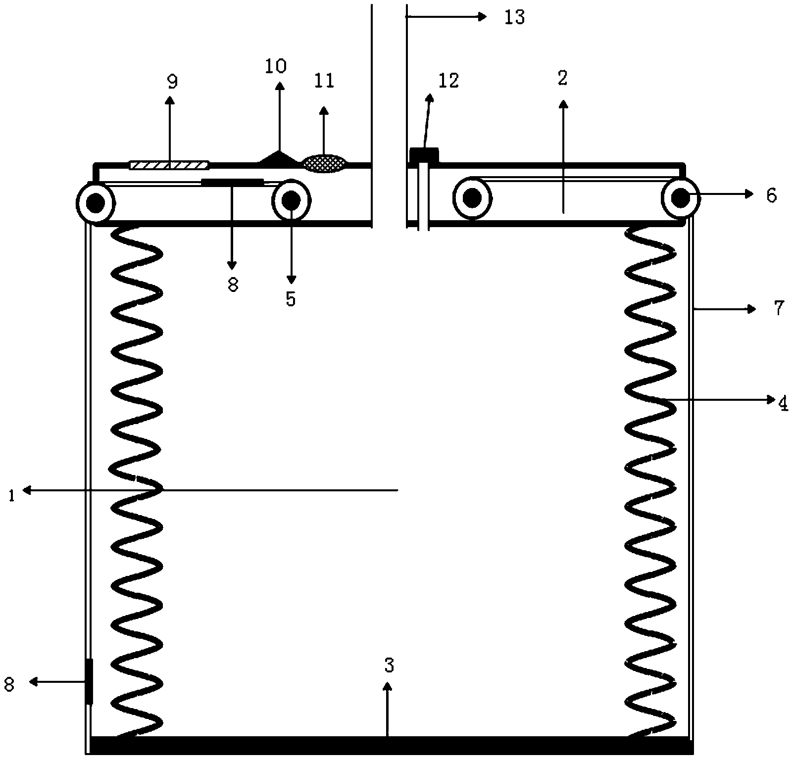
| 摘要: | 本实用新型涉及一种自动输出的安全性氧气袋。该装置包括氧气储存器,为由顶板、底板、侧壁围成的箱体结构;顶板为双层结构,上层装有报警装置,下层装有动力装置和电源;动力装置由定向轮、弹簧轮和皮带组成;定向轮和弹簧轮被设置在顶板中间,通过皮带与底板相连,因而产生从底板向顶板方向的拉力;侧壁被设计为手风琴式的可折叠的结构;以及氧气输送管,连接在所述氧气储存器的开口处。本实用新型所述的自动输出的安全性氧气袋通过弹簧轮的转动可以使氧气储存器内的氧气自动输出。安全阀能有效防止氧气储存器压力过大使装置破裂而发生危险。当氧气储存器达到最大容量和最小容量时,报警系统通过声音和灯光提醒使用者及时充气或者停止充气。 | ||||
| 补充信息 | |||||
| 转让方式: | 成熟度: | 预估价值: | |||
| 市场前景: | |||||